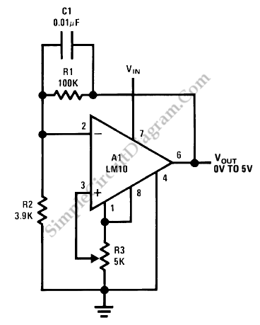
Variable Voltage Source is Adjustable Down to Zero!
Variable adjustable voltage source is very important in electronic testing and experiment, no matter whether it’s just for hobby, professional research, or exploring new electronic circuit design. A very low voltage source sometimes is needed, and the following schematic diagram show such circuit, a 0-5V adjustable voltage source with very good stability:

[National Semiconductor Application Note]