Burglar Alarm Works for Both N.O and N.C Contacts
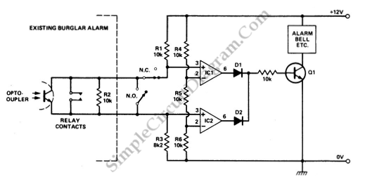
Unlike other alarm circuit that provide normally-open only or normally-closed only configuration, this alarm circuit work for both configurations. The mechanism of this alarm circuit is very simple, that the output will be active (Q1 transistor will be conducting) if IC1 or IC2 “high”. If R2 is open, then IC1 output will be high since the non-inverting input voltage will be tied to V++. At this condition, IC2 will be low but it’s fine since the output of IC2 is connected through a diode to prevent ground short. If R2 is shorted then the voltage at pin 3 IC2 will go higher than the voltage at pin 2, so the output of IC2 will be high. At this time the output of IC1 will be low, but again, a diode (D1) will prevent the output to get shorted. Here is the schematic diagram of the circuit:

[Circuit’s schematic diagram source: seekic.com]