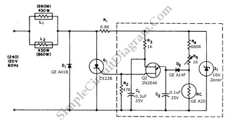
Low Cost Precision Light Control / Dimmer
Using a the controlled-half-plus-fixed-half-wave phase control method, this circuit can regulate an 860 a watt lamp load from half to full power. This circuit control the light output of the lamp from 30% to 100% because Half power applied to an incandescent lamp gives 30% of full light output. Here is the schematic diagram of the circuit:
